静電型(コンデンサ型)ヘッドホン専用アンプ 28
腕の痛みが小さくなって、はんだ鏝を持てるようになってきた。
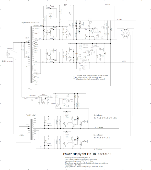
安定化電源部回路はあれからブレッドボードで試したり、回路を変えたり、配線を間違ったり。
プラス側は2SK3067、マイナス側は2SJ181Sのパラ。2SJ181Sでは力不足だが仕方ない。MTP2P50Eが手に入れば取り換える予定。適当なP-chのMOSFETは種類も少なく、入手し難い。
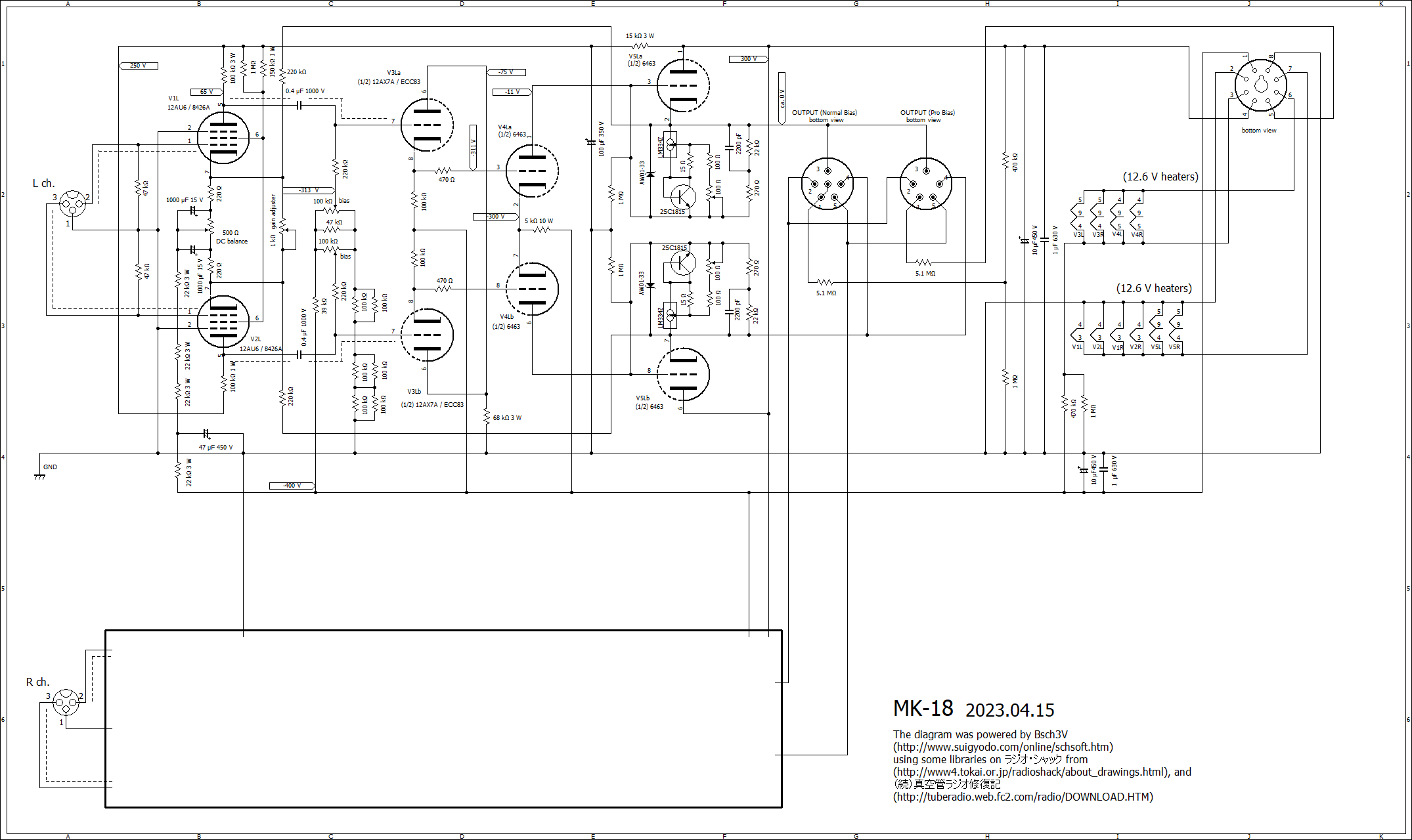
当初、短絡保護回路(電流制限回路)を付け加えることを考えていたが、組んでみると思惑通りには動かず、省いた。配線ミスで2SK3067と2SJ181Sをそれぞれ1個ダメにした。安定化電源回路のためプラス側は300 V、マイナス側は-400 Vとして、それに合わせて増幅回路の方も少し手を入れた。現状の回路は以下の通り。
2SK3067と2SJ181Sも多分廃番でしょう。まだ手に入る可能性はあるけど。


コメント
コメントを投稿